Simulado de concurso para Técnico em Eletrônica

Preparamos um simulado com questões de provas objetivas que caíram em concurso público para Técnico em Eletrônica, profissional responsável pela instalação, manutenção e reparo de equipamentos eletrônicos.

Questão 1

Um endereço IPv-4 possui 32 bits e define de forma única e universal a conexão de um dispositivo (um computador ou um roteador, por exemplo) à internet. Eles podem ser escritos em notação binária ou decimal pontuada. A seguir são apresentados quatro possíveis endereços IPv-4 em notação decimal pontuada.

I) 121.28.132.282
II) 14.232.121.182
III) 198.240.032.15
IV) 221.64.20.8

São endereços IPv-4 VÁLIDOS apenas os apresentados em

Questão 2

No Brasil, a transmissão de sinais de TV aberta sofreu uma grande transformação. Os sinais de TV aberta, que eram analógicos, passaram a ser digitais, com um ganho de qualidade nas imagens e com um aumento da resolução, acabando com os fantasmas. Em Belo Horizonte, as transmissões de TV analógica aberta eram realizadas nos canais de 2 a 69.

A faixa de frequência na qual operavam os canais de 2 a 13 é conhecida como

Questão 3

Analise as afirmativas abaixo quanto a microfones usados em captação de áudio:

I) O microfone dinâmico funciona através do princípio da geração de uma tensão pelo movimento de uma bobina, mecanicamente acoplada a um diafragma, em um campo magnético.
II) O microfone de eletreto é usado quando são desejáveis pequenas dimensões, como, por exemplo, em microfones de lapela, pois não necessita de fonte de alimentação.
III) O microfone a capacitor funciona pelo princípio da variação de tensão entre as placas de um capacitor carregado com carga constante, onde uma das placas é o diafragma de captação de som.

Estão CORRETAS as afirmativas:

Questão 4

O endereçamento IPv-4 pode utilizar o conceito de classes de endereçamento. Nesse método, o espaço de endereços é dividido em cinco classes: A, B, C, D e E.

O endereço 192.34.55.112 pertence à classe

Questão 5

O endereçamento IPv-4 sem classes foi desenvolvido e implementado para resolver o problema do esgotamento dos endereços de classes e oferecer acesso à internet a um número maior de organizações. Nesse método de endereçamento, os endereços são concedidos em blocos. Uma forma de definir o primeiro e o último endereço de um bloco de endereços é utilizar qualquer endereço do bloco e a máscara.

Um dos endereços IP de um bloco de endereços é 201.32.134.39 /26, onde a máscara está representada utilizando-se a notação CIDR (Classless Inter-Domain Routing).

O primeiro endereço desse bloco é

Questão 6

O conjunto de protocolos TCP/IP, segundo Forouzan (2008), é composto por cinco camadas: física, enlace, rede, transporte e aplicação.

Toda vez que precisarmos transmitir algo para um destino específico entre vários existentes, necessitamos de um endereço.

A camada que utiliza como endereço o número da porta de destino para a entrega e o número da porta de origem para a resposta é a camada de

Questão 7

O arranjo de antenas denominado Yagi-Uda Array foi introduzido em um artigo publicado em inglês em 1928. Esse tipo de antena tem características que a tornaram muito utilizadas na prática, principalmente nas faixas de frequências de VHF e UHF.

Dentre as características de antenas listadas a seguir, qual delas se relaciona a uma antena Yagi-Uda?

Questão 8

As LAN’s (Local Area Network) geralmente são conectadas entre si ou à internet. Para interligar LAN’s ou segmentos de LAN’s são utilizados dispositivos de conexão que operam em diferentes camadas da arquitetura TCP/IP. Abaixo são apresentadas afirmativas sobre alguns dispositivos de conexão.

I) Repetidor: É utilizado para conectar segmentos de uma LAN atuando como um amplificador.
II) Bridge ou Switch de camada 2: Verifica os endereços físicos (MAC) de origem e destino contidos no frame.
III) Roteador: Opera na camada de rede, verificando os endereços lógicos contidos no cabeçalho do frame.

Está CORRETO o que se afirma em:

Questão 9

A norma brasileira NR 14565 especifica um cabeamento estruturado para edifício ou um conjunto de edifícios (denominado “Campus”). Ela discrimina as classes e as categorias de desempenho para um cabeamento estruturado.

Dentre as classes mostradas a seguir, a especificada para uma largura de banda de 500 MHz é:

Questão 10

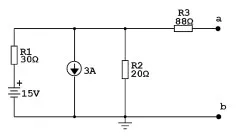
Em muitos ohmímetros, a resistência dos cabos do instrumento é somada à resistência que se quer medir, causando um erro na medida, principalmente se o valor da resistência a ser medida for da mesma ordem de grandeza da resistência dos cabos. Alguns instrumentos resolvem esse problema através de uma ligação a quatro fios, conforme mostrado no diagrama abaixo.

Essa ligação a quatro fios é chamada de

Tempo de simulado: