Simulado de concurso para Engenheiro Eletricista

Simulado para você se preparar para concursos públicos. Responda questões de Provas Objetivas realizadas em concursos públicos para a função de Engenheiro Eletricista, de nível superior. Organizadora: Gerência de Exames e Concursos da UFMT.

Questão 1

O método de componentes simétricas é largamente empregado na análise de sistemas de potência polifásicos, especialmente no cálculo de curto-circuito. Assinale a alternativa que descreve corretamente esta ferramenta.

Questão 2

Corrente e a tensão são duas variáveis básicas, todavia, são muito importantes para o bom funcionamento dos Circuitos Elétricos. Além disso, é necessário que saibamos quanta potência um dispositivo é capaz de manipular. Sendo assim, pensando nas definições de corrente, tensão e potência, analise as afirmativas abaixo e dê valores Verdadeiro (V) ou Falso (F).

( ) A tensão também recebe o nome de diferença de potencial sendo a energia necessária para deslocar uma carga unitária através de um elemento.
( ) Se a corrente se mantiver constante, ou seja, não muda com o tempo, podemos chama-la de corrente alternada (CA);
( ) Potência é a velocidade com que a energia é consumida e sua unidade de medida é o wattshora (Wh);
( ) A potência fornecida ou absorvida por um equipamento é o produto de sua tensão pela corrente que o percorre.

Assinale a alternativa que apresenta a sequência correta de cima para baixo.

Questão 3

As alternativas a seguir fazem referência aos requisitos básicos que estão relacionados ao padrão de qualidade da energia fornecida aos consumidores finais. Esses padrões devem ser satisfeitos pelas empresas concessionárias de energia elétrica. Sendo assim, escolha a alternativa que não se enquadra nesses padrões:

Questão 4

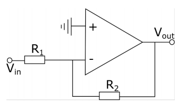
As concessionárias de energia preferem que as cargas absorvam potência com um fator de potência unitário, de modo que a corrente para dada potência absorvida seja mínima, resultando menor quantidade de perdas nas resistências associadas às linhas de transmissão e distribuição e outros equipamentos. Essa correção do fator de potência pode ser realizada pela compensação ou pela anulação da potência reativa absorvida pela carga por meio da conexão de uma reatância em paralelo que absorve a mesma potência reativa em magnitude, mas oposta em sinal. No circuito da figura acima, a potência complexa absorvida pela impedância da carga foi calculada como P + jQ = (1350 + j500) VA. Assinale a alternativa que apresenta a reatância em paralelo que resultará em um fator de potência unitário, visto da fonte de tensão.
imagem
imagem

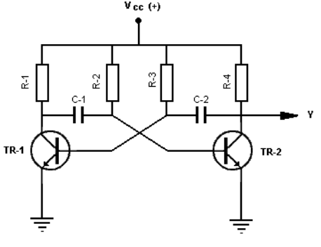
Questão 5

Analisando o circuito de amplificadores transistorizados apresentados na figura abaixo, assinale a alternativa incorreta.
sadsad

Questão 6

A Norma Regulamentadora – NR 10 estabelece os requisitos e condições mínimas objetivando a implementação de medidas de controle e sistemas preventivos, de forma a garantir a segurança e a saúde do trabalhadores que, direta ou indiretamente, interajam em instalações elétricas e serviços com eletricidade.
Essa NR se aplica às fases de geração, transmissão, distribuição e consumo, incluindo as etapas de projeto, construção, montagem, operação, manutenção das instalações elétricas e quaisquer trabalhos realizados nas suas proximidades, observando-se as normas técnicas oficiais estabelecidas pelos órgãos competentes e, na ausência ou omissão destas, as normas internacionais cabíveis. De acordo com o texto e considerando a segurança em instalações elétricas, analise as afirmativas.
I - As medidas de proteção coletiva compreendem, prioritariamente, a desenergização elétrica e, na sua impossibilidade, o emprego de tensão de segurança.
II - É obrigatório que os projetos de instalações elétricas especifiquem dispositivos de desligamento de circuitos que possuam recursos para impedimento de reenergização, para sinalização de advertência com indicação da condição operativa.
III - A proteção supletiva é o meio destinado a garantir a proteção contra choques elétricos em situações de maior risco de perda ou anulação das medidas normalmente aplicáveis e em situações ou locais em que os perigos do choque elétrico são particularmente graves.
IV - O projeto elétrico deve definir a configuração do esquema de aterramento, a obrigatoriedade ou não da interligação entre o condutor neutro e o de proteção e a conexão à terra das partes condutoras não destinadas à condução da eletricidade.
Estão corretas as afirmativas

Questão 7

Consumidores de grande porte comumente possuem demanda contratada. Assim como apontado pela Agência Nacional de Energia Elétrica (ANEEL), após o consumidor possuir demanda contratada de potência ativa passa a ser obrigação da distribuidora fornecer continuamente a quantidade contratada, no ponto de entrega, conforme valor e período de vigência fixados em contrato. Se o contratante ultrapassar o valor contratado, terá custos adicionais relacionados a multas e encargos, e se usar menos, terá que arcar com os custos como se houvesse utilizado toda a demanda. Ambos os fatos apontam que a equipe de planejamento dimensionou de maneira errada a demanda que deveria ser contratada. Sendo assim, uma empresa possui demanda contratada igual a 80 kW. Essa empresa apresenta demanda instantânea de 30 kW, a que se mantém constante por três minutos, ou seja, durante esses três minutos a demanda é a mesma, ao fim dos quais passa para 50 kW, se mantém constante por mais 3 minutos, aumenta para 60 kW, por mais três minutos fica constante e aumenta novamente para 70 kW, fica estável por mais três minutos e por fim atinge 80 kW, permanecendo nesse nível de demanda por 3 minutos. Ao fim desse tempo o ciclo se repete. Sabendo disso, encontre a demanda média nos primeiros 13 minutos e assinale a alternativa correta.

Questão 8

A principal lógica de proteção digital aplicada a grandes transformadores de potência é a diferencial. Sobre este método de proteção, analise as sentenças abaixo indicando-as como Verdadeiro (V) ou Falso (F).

I. A lógica diferencial determina a incidência de faltas através da análise das correntes de entrada e saída no primário e secundário do transformador.
II. O defasamento de fases nos enrolamentos do transformador não afeta a lógica diferencial de proteção.
III. A identificação de falta através da subtração do módulo das correntes do primário e do secundário de um transformador acusa como falta apenas curtos-circuitos externos à máquina.

Assinale a alternativa que apresenta a sequência correta para as avaliações das afirmações I, II e III, respectivamente.

Questão 9

Através das propriedades eletromagnéticas, os motores elétricos são dispositivos que convertem energia elétrica em energia mecânica. Portanto, as máquinas de indução estão inclusas neste grupo, analise as afirmativas abaixo e dê valores Verdadeiro (V) ou Falso (F).

( ) Uma máquina que possui apenas um conjunto contínuo de enrolamentos amortecedores podem ser denominadas como máquina de indução.
( ) Não existe a necessidade de uma corrente de campo CC para fazer a máquina de indução funcionar.
( ) A tensão do rotor de uma máquina de indução é induzida nos enrolamentos através de uma conexão física de fios.
( ) As máquinas de indução se destacam principalmente quando utilizadas como geradores.

Assinale a alternativa que apresenta a sequência correta de cima para baixo.

Questão 10

Sobre sistemas de proteção contra descargas atmosféricas em edificações (SPDA), assinale a afirmativa INCORRETA.

Tempo de simulado: